info@doyalaser.com      17702705630
简体中文
你在这里: 首页 » 资讯 » 激光系统参数解读

激光系统参数解读

浏览数量: 0     作者: 本站编辑     发布时间: 2025-12-16      来源: 本站

["facebook","twitter","line","wechat","linkedin","pinterest","whatsapp"]

各种各样的激光系统用于不同的应用,例如材料加工、激光手术和遥感,但其中许多系统具有共同的关键参数。为这些参数建立标准化术语可以防止误述,并且理解这些术语可以帮助制定正确的激光系统和组件规格,以满足您的应用需求(如图 1 所示)。

1

图1:典型激光材料加工系统示意图,其中激光系统的10个关键参数用相应的数字表示。


基本参数

以下基本参数是激光系统最基本的概念,对于理解更高级的主题至关重要。

图片1

激光的波长描述了发射光波的空间频率。特定用例的最佳波长很大程度上取决于应用。在材料加工中,不同的材料具有独特的波长吸收特性,导致与材料的相互作用不同。同样,在遥感中,大气吸收和干扰对某些波长的影响不同,而在医疗激光应用中,不同的肤色对某些波长的吸收也不同。由于聚焦光斑尺寸较小,较短波长的激光器和激光光学器件在以最少的外围加热创建小型、精确的特征方面具有优势。然而,与较长波长的激光器相比,它们通常更昂贵且更容易损坏。


图片2

激光功率以瓦(W)为单位,用于描述连续波(CW)激光源的光功率输出或脉冲激光源的平均功率。此外,脉冲激光源的特征在于其脉冲能量,脉冲能量与平均功率成正比,与脉冲重复率成反比(图 2)。能量以焦耳 (J) 为单位测量。


脉冲能量 = 平均功率 / 重复率 / 脉冲能量/ = 平均功率 / 重复率

图片3

图 2:脉冲激光的脉冲能量、重复率和平均功率之间关系的直观表示。



功率和能量较高的激光源通常较昂贵并且产生更多的废热。随着功率和能量的增加,保持高光束质量也变得越来越困难。


图片4

激光脉冲持续时间或脉冲宽度通常定义为激光器达到其最大光功率 (FWHM) 一半所需的时间(图 3)。超快激光源的特点是脉冲持续时间短,范围从皮秒(10⁻12秒)到阿托秒(10⁻18秒)。

图片5

图 3:脉冲激光的脉冲间隔是其重复率的倒数。


图片6

脉冲激光的重复率(或脉冲重复频率)描述了每秒发射的脉冲数,它是时间脉冲间隔的倒数(图 3)。如前所述,重复率与脉冲能量成反比,与平均功率成正比。虽然重复率通常取决于激光增益介质,但在许多情况下,它是可以变化的。较高的重复率会缩短激光光学元件表面和最终聚焦光斑的热弛豫时间,从而加快材料的加热速度。


图片7

激光具有相干性,这意味着不同时间或位置的电场相位值之间存在固定的关系。这是因为与大多数其他类型的光源不同,激光是通过受激发射产生的。相干性在传播过程中逐渐减弱,激光的相干长度定义了其时间相干性保持一定质量的距离。


图片8

偏振定义了光波电场的方向,该方向始终垂直于传播方向。在大多数情况下,激光是线偏振的,这意味着发射的电场始终指向同一方向。非偏振光产生指向许多不同方向的电场。偏振度通常用两个正交偏振态的光功率之比来表示,如100:1或500:1。


光束参数

以下参数描述了激光束的形状和质量。

图片9

激光束直径代表光束的横向范围,或其垂直于传播方向的物理尺寸。它通常定义为 1/e² 宽度,即光束强度达到其最大值的 1/e² (≈ 13.5%) 的点。在 1/e² 点,电场强度降至其最大值的 1/e (≈ 37%)。更大的光束直径需要更大的光学元件和更大的整体系统以避免光束剪切,从而导致成本增加。然而,减小光束直径会增加功率/能量密度,这也会产生不利影响(请参阅下一个参数)。


图片10

光束直径与激光束的功率/能量密度(即单位面积的光功率/能量)有关。在光束功率或能量恒定的情况下,较大的光束直径会导致较低的功率/能量密度。高功率/能量密度激光器通常是系统的理想最终输出(例如,在激光切割或激光焊接应用中),但低功率/能量密度激光器通常有利于系统内防止激光引起的损坏。这还可以防止光束的高功率/能量密度区域电离空气。由于这些原因,扩束器通常用于增加直径,从而降低激光系统内的功率/能量密度。然而,必须注意不要将光束扩展太多,因为这可能会导致光束被系统的孔径剪切,从而导致能量损失和潜在的损坏。


图片11

激光的光束轮廓描述了光束横截面的强度分布。常见的光束轮廓包括高斯光束和顶帽光束,其光束轮廓分别遵循高斯函数和顶帽函数(图 4)。然而,没有激光器可以产生完美的高斯光束或光束轮廓与特征函数完美匹配的完美平顶光束,因为激光器内总是存在一定量的热点或振荡。实际激光束轮廓与理想光束轮廓之间的差异通常通过几个指标来描述,包括激光器的 M2 系数。

图片12

图 4:具有相同平均功率或强度的高斯光束和平顶光束的光束轮廓比较表明,高斯光束的峰值强度是平顶光束的两倍。


图片13

尽管激光束通常被认为是准直光,但它们总是表现出一定程度的发散。发散度描述了光束在长距离传播后由于衍射而相对于束腰发散的程度。在长工作距离的应用中(例如,激光雷达系统,目标可能距离激光系统数百米),发散度成为一个特别重要的问题。光束发散度通常由激光器的半角定义,高斯光束的发散度 (θ) 定义为:

图片14

λ是激光波长,w0是激光束腰。


最终系统参数

这些最终参数描述了激光系统的输出性能。

图片15

聚焦激光束的光斑尺寸描述了聚焦透镜系统焦点处的光束直径。在许多应用中,例如材料加工和医疗手术,目标是最小化光斑尺寸。这可以最大限度地提高功率密度,并允许创建特别精细的特征(图 5)。通常使用非球面透镜代替传统球面透镜,以减少球面像差并最小化焦点尺寸。在某些类型的激光系统中,激光最终不会聚焦成一个点,在这种情况下该参数不适用。

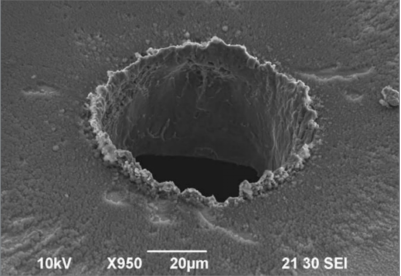
图片16

图 5:意大利理工学院进行的激光微加工实验表明,在恒定注量下,当光斑尺寸从 220 微米减小到 9 微米时,纳秒激光钻孔系统的烧蚀效率提高了十倍。


图片17

激光系统的工作距离通常是指从最终光学元件(通常是聚焦透镜)到激光聚焦的物体或表面的物理距离。一些应用(例如医用激光器)通常旨在最小化工作距离,而其他应用(例如遥感)通常旨在最大化工作距离范围。


产品分类

联系我们

 027-50477139
 17702705630
 湖北省武汉市东湖高新技术开发区光谷大道303号
保持联系

版权所有 © 2022 武汉度亚光电设备有限公司 . 网站地图 | 技术支持 领动