info@doyalaser.com      17702705630
简体中文
你在这里: 首页 » 资讯 » 激光系统的关键参数

激光系统的关键参数

浏览数量: 16     作者: 本站编辑     发布时间: 2024-04-26      来源: 本站

["facebook","twitter","line","wechat","linkedin","pinterest","whatsapp"]

激光系统的关键参数


有多种通用激光系统用于材料加工、激光手术和遥感等多种应用,但许多系统具有共同的关键参数。为这些参数建立通用术语可以防止通信错误,并且理解它们可以正确指定激光系统和组件以满足应用需求。

图片1

图1:常见激光材料加工系统的示意图,其中激光系统的10个关键参数均由相应的数字表示。


以下基本参数是激光系统最基本的概念,对于理解更高级的点也至关重要。



1. 波长(T典型的你尼特:纳米到微米)

激光的波长描述了发射光波的空间频率。给定用例的最佳波长高度依赖于应用。


不同的材料在材料加工过程中将具有独特的与波长相关的吸收特性,从而导致与材料的不同相互作用。类似地,在遥感中,大气吸收和干扰对某些波长的影响不同,而在医疗激光应用中,各种复合物对某些波长的吸收也不同。较短波长的激光器和激光光学器件有利于创建小型、精确的特征,并且由于焦斑较小,外围加热最少。然而,它们通常比较长波长的激光器更昂贵且更容易损坏。



2.功率和能量(典型单位:W或J)

激光器的功率以瓦(W)为单位测量,用于描述连续波(CW)激光器的光功率输出或脉冲激光器的平均功率。脉冲激光器的特点还在于其脉冲能量,脉冲能量与平均功率成正比,与激光的重复率成反比(图 2)。能量以焦耳 (J) 为单位测量。

图片2

图 2:脉冲激光的脉冲能量、重复率和平均功率之间关系的直观表示


功率和能量较高的激光器通常更昂贵,并且会产生更多的废热。随着功率和能量的增加,保持高光束质量变得越来越困难。




3. 脉冲持续时间(典型单位:fs 至 ms)

激光脉冲持续时间或脉冲宽度通常定义为激光光功率与时间的半峰全宽 (FWHM)(图 3)。超快激光器在精密材料加工和医疗激光器等一系列应用中具有许多优势,其特点是脉冲持续时间短,约为皮秒(10-12 秒)至阿托秒(10-18 秒)。

图片3

图 3:脉冲激光的脉冲在时间上按重复率的倒数分开



4.请求率(典型单位:Hz至MHz)

脉冲激光的重复率或脉冲重复频率描述了每秒发射的脉冲数或脉冲之间的反向时间间隔(图 3)。如前所述,重复率与脉冲能量成反比,与平均功率成正比。尽管重复率通常取决于激光增益介质,但在许多情况下它可能会有所不同。较高的重复率会缩短激光光学表面和最终焦点的热弛豫时间,从而加快材料的加热速度。



5.相干长度(典型单位:毫米到米)

激光是相干的,这意味着不同时间或位置的电场相位值之间存在固定的关系。这是因为与大多数其他类型的光源不同,激光是通过受激发射产生的。相干性在整个传播过程中都会降低,而激光的相干长度定义了激光的时间相干性保持一定质量的距离。



6. 极化

偏振定义了光波电场的方向,该方向始终垂直于传播方向。在大多数情况下,激光将是线偏振的,这意味着发射的电场始终指向同一方向。非偏振光的电场指向许多不同的方向。偏振度通常用两个正交偏振态的光功率之比来表示,例如100:1或500:1。


光束参数

以下参数表征了激光束的形状和质量。



7. 光束直径(典型单位:mm至cm)

激光的光束直径表征光束的横向延伸,或其垂直于传播方向的物理尺寸。它通常定义为 1/e2 宽度,由高达 1/e2 (≈ 13.5%) 的光束强度决定。


在 1/e2 点,电场强度降至 1/e (≈ 37%)。光束直径越大,光学器件和整个系统就需要越大,以避免光束截断,这会增加成本。然而,光束直径的减小会增加功率/能量密度,这也是有害的。



8. 功率或能量密度(典型单位:W/cm2 至 MW/cm2 或 µJ/cm2 至 J/cm2)

光束直径与激光束的功率/能量密度或单位面积的光功率/能量有关。光束直径越大,恒定功率或能量的光束的功率/能量密度越小。在系统的最终输出(例如激光切割或焊接)中,通常需要高功率/能量密度,但在系统内部,低功率/能量集中通常有利于防止激光引起的损坏。这还可以防止光束的高功率/能量密度区域电离空气。


由于这些原因,激光扩束器通常用于增加直径,从而降低激光系统内部的功率/能量密度。然而,必须注意不要将光束扩展得太多,以免被系统中的孔径遮挡,从而导致能量浪费和潜在的损坏。




9. 光束轮廓


激光器的光束轮廓描述了光束横截面上的分布强度。常见的光束轮廓包括高斯光束和平顶光束,其光束轮廓分别遵循高斯函数和平顶函数(图4)。然而,没有激光器能够产生完全高斯或完全平坦的顶部光束,其光束轮廓与其特征函数完全匹配,因为激光器内部总是存在一定数量的热点或波动。激光器的实际光束轮廓与其理想光束轮廓之间的差异通常通过包括激光器的 M2 因子在内的度量来描述。

图片4


图 4:具有相同平均功率或强度的高斯光束和平顶光束的光束轮廓比较表明,高斯光束的峰值强度是平顶光束的两倍



10.散度(典型单位:mrad)

尽管激光束通常被认为是准直的,但它们总是包含一定量的发散度,这描述了光束由于衍射而随着距离激光束腰的距离增加而发散的程度。在长工作距离的应用中,例如激光雷达系统,物体可能距离激光系统数百米,发散成为一个特别重要的问题。光束发散度通常用激光的半角来定义,高斯光束的发散度 (θ) 定义为:

图片5

λ 是激光的波长,w0 是激光的束腰。

最终系统参数

这些最终参数描述了激光系统的输出性能。




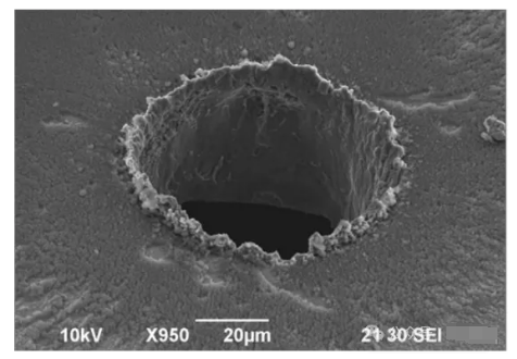
11. 光斑尺寸(典型单位:μm)


聚焦激光束的光斑尺寸描述了聚焦透镜系统焦点处的光束直径。在许多应用中,例如材料加工和医疗手术,目标是最小化光斑尺寸。这可以最大限度地提高功率密度,并允许创建特别复杂的功能(图 5)。通常使用非球面透镜代替传统球面透镜,以减少球面像差并产生更小的焦斑尺寸。某些类型的激光系统最终不会将激光聚焦到点上,在这种情况下该参数不适用。

图片6

图 5:意大利理工学院的激光微加工实验表明,在恒定流量下,当光斑尺寸从 220 μm 减小到 9 μm 时,纳秒激光钻孔系统的烧蚀效率提高了 10 倍。



12. 工作距离(典型单位:μm至m)

激光系统的工作距离通常定义为从最终光学元件(通常是聚焦透镜)到激光聚焦的物体或表面的物理距离。一些应用(例如医用激光器)通常寻求最小化工作距离,而其他应用(例如遥感)通常旨在最大化其工作距离范围。



产品分类

联系我们

 027-50477139
 17702705630
 湖北省武汉市东湖高新技术开发区光谷大道303号
保持联系

版权所有 © 2022 武汉度亚光电设备有限公司 . 网站地图 | 技术支持 领动